Sequential Circuits
- Circuits with a memory.
- They all have some form of internal feedback.
- The Basic components
- A tri-state device
- A data input line
- A data output line
- A control line
- If the control line is a 1, data is allowed to pass through.
-
- This is really useful for managing a bus.
- Clock
- Generates a regular series of pulses.
- We may wish to delay a clock pulse
-
- Many sequential circuits are "edge triggered"
- This means they change state only on the leading edge of a clock
pulse.
- Other devices are "latch" devices
- This means they change state on a "high" clock signal.
- Flip Flops
- A basic unit of memory.
- Each has a setup time and a hold time
- Setup time - the time the signal must be stable on the line
before a state change can occur
- Hold time - the time a signal must remain stable before the device
changes state.
- There are many different types,
- RS, JK, D are all discussed in the book.
- TkGate has a D, so we will study that first.
- One data input (D)
- Two data outputs (Q, Q')
- a clock input (ck or ^)
- An enable (not) control line
- An clear (not) control line.
- When the clock goes from low to high, the data on D is
stored, and comes out at Q.
- But only if the clear (not) line is 1
- And the enable(not) line is 0
- And sufficient time has gone by for the circuit to
stabalize before the clock changed.
-
- The RS FlipFlop
-
- Two output lines, Q, Q' the state of the flipflop
- Two control lines
- S set - set Q to be 1
- R reset - set Q to be 0
- raising bot S and R is undefined.
- Back to D
- Add some extra logic, and we can create a D flipflop from
an RS
- The File
-
- The JK Flipflop
- Add additional logic to RS to eliminate strange can't raise both.
- Two control lines - J,K
- Two outputs
- A clock.
- J sets (Q = 1)
- K resets (Q = 0)
- JK flips.
- Some example circuits
- A simple Register
- n bits wide
- A collection of n flipflops
- A common clock line
- An input line (n bits wide)
- An output line (n bits wide)
- A clear not line
- An enable not line
- Start by clearing the register
- Change the value of the input
- press the spacebar 10 times (5 will do)
- Throw the clock switch
-
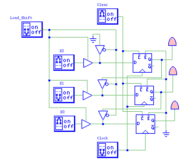
- A Shift Register
- We may want a line that will let us shift left or shift right
- or a line that will let us load.
- And a line that tells us what to fill with.
-
- A memory
- Data lines (n)
- Address lines (m)
- 1 read/ not write
- 1 chip celect
- 1 reset.
-
- a file