Instruction Interpretation
- In this chapter, we will take a look at some advanced topics
- An implementation of a Load/Store Risc Machine
- Instructions/Memory optimizations (prefetch, + )
- Pipelining
- Superpipelinging and superscalar
- Microprogramming
- A new simple machine
- 16 bit word
- 16 GP Registers, R0-R15
- R0 is always 0, as in the Sparc
- Three Instruction Formats
- Data Manipulation (R-type)
- Add, MPY, ...
- 4 bit opcode
- 3 4 bit registers
- oooodddd11112222 (1 = s1, 2 = s2)
- op dest src1 src2
- Each of these instructions sets the Z,N bits in a condition register.
- Data Transfer (R-type)
- 4 bit opcode
- Destination
- Source1, Source2
- LDW Rd Rs1 Rs2
- R[dest] = M[R[s1] + R[s2]]
- Notice this gives us a full 16 bit address space.
- Or if We only load bytes, we can go on byte boundries.
- So we can address 216 bytes of memory
- LDW, STW
- Byte operations (LDB, STB) work on lower 8 bits of a register
- Sign extend on load.
-
| Pseudo Code | Op Code | Pseudo Code | Op Code |
| LDW | 0000 | LDB | 0001 |
| STW | 0010 | STB | 0011 |
| ADD | 0100 | SUB | 0101 |
| AND | 0110 | OR | 0111 |
| XOR | 1000 | XORN | 1001 |
- Two set register operations (S-type)
- SETHI Rd imm
- SETLO Rd imm
- 8 bit immediate
- Sets the top or bottom 8 bits of the register.
-
| Pseudo Code | Op Code | Pseudo Code | Op Code |
| SETHI | 1010 | SETLO | 1011 |
- Branch (J-type)
- 5 bit opcode
- 11 bit address
- PC=PC+addr*2
- (Byte addressable, so instructions must be word alligned)
-
| Pseudo Code | Op Code | Pseudo Code | Op Code |
| BRA | 11000 | BREQ | 11001 |
| BRNE | 11010 | BRLT | 11011 |
| BRLE | 11100 | BRGT | 11101 |
| BRGE | 11110 |   |   |
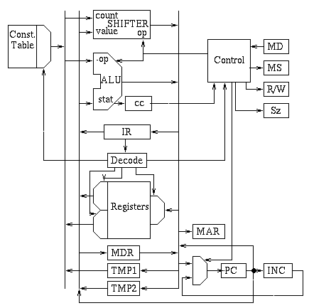
- We will use three internal busses
- An ALU, and a shifter.
-
- Sz is a memory size selector, 0 = byte, 1=word
- MS is memory select
- R/W is Read not Write
- Trace Instruction Fetch
- Trace ADD R5, R3, R2 (R5 <- R3+R2)
- Trace LW R4, R2, R3 (R4 <- M[R2+R3]
- Trace SETHI R4, 0
- Trace BEQ 100
- There is a fetch operation.
- There will be four paths in our state table for this machine:
- Data Migration
- Data Manipulation
- Register Set
- Branch