Chapter 1, Computer Abstractions and Technology
- You should read chapter 1.
- You should know the metric prefix system for pico through peta.
- I don't buy the author's Binary terms, but you can if you wish.
- I supose one of the main goals of this class is to help you understand program performance.
- The chart at the bottom of page 9 summs up how this course will help with this.
- This is a long term goal
- Eight Great Ideas in Computer Architecture
- Design for Moore's Law
- Use Abstraction to Simplify Design
- We shouldn't have to talk about this one.
- Isn't that what we push for in programming?
- Do you really think a register looks like
- Make the common case fast.
- In the WOMBAT instruction set, is there something that happens when EVERY instruction is executed?
- Performance via Parallelism
- Using WOMBAT's ALU to increment the PC.
- Performance via Pipelining
- Nothing yet, but we will see this.
- Performance via Prediction
- Nothing yet, but we will see this.
- Hierarchy of Memories
- Registers, Cache, Ram, Hard Drive, off line storage.
- Draw the triangle.
- Discuss the triangle.
- Dependability via Redundancy
- 1.5 Technology for Building Processors and Memory.
- The basic technology for building processors is an electronic switch.
- This was a vacuume tube in the original electronic computers.
- These were very fragile
- They consumed a lot of power (relatively speaking)
- They produced a LOT of heat.
- Think Lightbulb.
- It was replaced with a transistor
- These are constructed out of silicon (for now)
- This is a very quick crash course
- This is probably wrong except for the 10,000 ft view.
- All consist of a base, a collector and an emitter.
- If a charge is applied (or not applied) to the base data from the emittor is transfered to the collector.
- There are two types NPN and PNP
-
- For an NPN
- If a charge is applied to the base, then electrons flow from the emitter to the collector.
- For a PNP
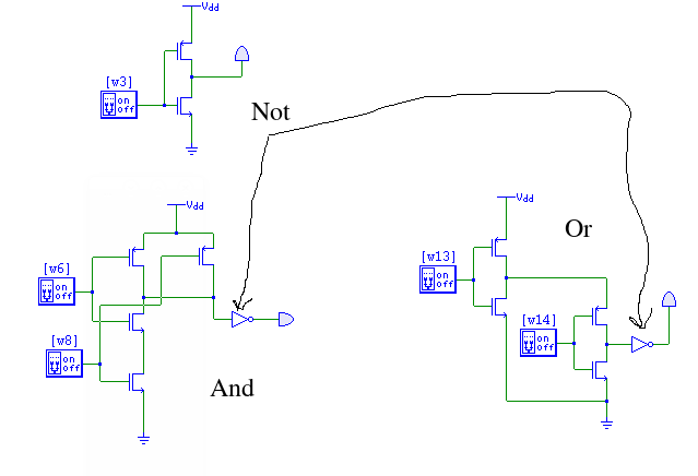
- Try this tkgate simulation
- These transistors can be combined into the basic logic components.
- We might be changing technology again very soon. (See carbon nanotubes above)
- The table at the top of page 25 is very interesting.
- Integrated Circuit through Ultra Large Scale IC.